TGQ1NP自动转换开关
TGQ1NP自动转换开关

TGQ1NP自动转换开关

TGQ1NP 系列自动转换开关电器适用于交流 50Hz, 额定工作电压AC230V(2P)/AC400V(3P/4P),额定工作电流至 630A 的两相 / 三相四线双路供电电网中,自动将一个或几个负载电路从一个电源接至另一个电源,以保证负载电路的正常供电。本产品适用于工业、商业、高层和民用住宅等较为重要的场所。

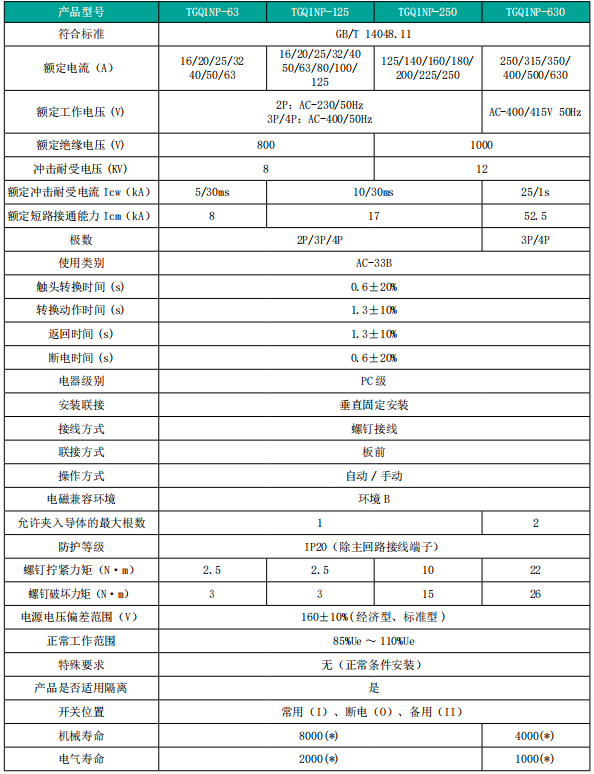
参数

Copyright ©2025 浙江一个好妈妈2韩剧蘑菇电气股份有限公司 备案号 浙ICP备05055822号-4

x

联系一个好妈妈2韩剧蘑菇

您可以向一个好妈妈2韩剧蘑菇发送有关一个好妈妈2韩剧蘑菇电气的问题咨询

I have read and accept the Privacy Policy


  • 一个好妈妈2韩剧蘑菇